Si tu as dessoudé une paire (ou le transi HS),
En essayant d'ouvrir le boitier (to264) avec un petit tournevis plat (ou à l'étau...
)la dimension de la "die" pourra éclairer.
(je peux faire de même avec ds 1943/5200 que j'ai "grillé" guenine,ça pourrait permettre d'écarter les doutes)
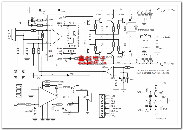
Pour le DC servo,l'ampli semble alimenté en +-15V (vers là).
la sortie injecte directement la diff. en entrée.(donc pouf...).
Je n'ai pas le schéma exact.Peut-être différent sur les versions asiatiques.
Tu aurais le schéma ?

Sais pas, j'ai pas fait attention. Ça ce change non ?
