Je suis d'accord pour R2, je ne sais pas ce que voulais dire Thierry, ou il n'a pas vu que le signal arrivait par là.
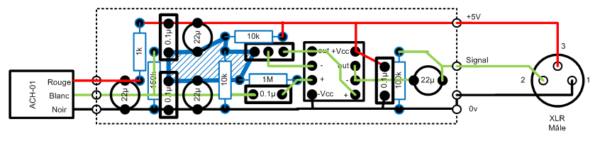
Pour la capa, et la R de décharge, oui, on peut supprimer dans le cas du DSPIY.
mais ça vaut peut être la peine d'au moins prévoir l'emplacement, pour rendre le truc plus universel.
Prévoir aussi peut être une résistance série en sortie d'AOP pour le protéger, et utiliser un aop rail to rail, ça serait un gros +.
Il faut prévoir ausssi de pouvoir l'alimenter en 12v au lieu de 5v. Sur le schéma ça ne fait pas de différence, mais il faut que les capas de filtrage soient adaptées en tension.
5m de câble XLR (blindé par sa masse), entre le dspiy et le préampli, ça devrait le faire..
Moi j'ai 10m entre dspiy et ampli, XLR aussi.
Tout est fait au double face ici pour le moment, donc tu peux commencer comme ça.
Je peux écrire une petite méthode au moins pour le démarrage (du style, mettre le gain de l'accéléro sur l'écran filtre à -50dB, et le monter doucement). Avec l'écran RTA et le géné en pink PN, c'est très facile de voir si il faut inverser ou pas, quand on augmente doucement le gain. Et inverser, c'est la case juste à côté!
Ca vaut le coup d'essayer le GTO, ça en fera un de plus au catalogue!
Au fait, on peut monter l'adau1701 à 192kHz, avec le hardware de dspiy?
J'ai mesuré les délais en 48k, on passe de 700µs à 1.4ms, avec aucun autre filtrage qui pourrait rajouter du GD.
On a donc bien les fréquences d’échantillonnage DAC et ADC qui sont modifiées.
On voit qu'on arrive quand même à monter à 200Hz en 48k, ce qui pour un sub est LARGEMENT suffisant!!!!
