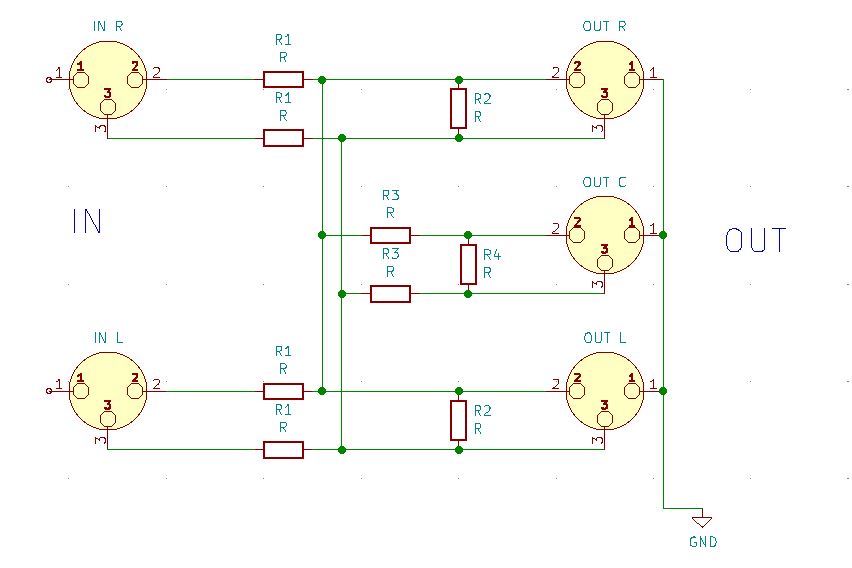
[############] ; L/R ; 1-10]
Comparons deux échantillons adressés à droite (A) et à gauche (B).
Niveau A = Niveau B => Sortie C soit enceinte L+C+R
Niveau A diff B :
- Niv A / Niv B = X
X définit la répartition des niveaux entre L, C et R
- X=A => sortie R+C à niveau égal. Rien sur L
- X=0.1 => Sortie L+C à niveau égal. Rien sur R
- X>1 => Niveau dominant R+C
- X<1 => niveau dominant L+C
- X=2 => Niveau R = Niveau C
- X= 0.5 => Niveau L = Niveau C
Cas de figure :
Niv A = 10
Niv B = 5
A/B= 2
Le signal doit être prédominant à droite (A) on ne peut pas faire une répartition 1/3C 1/3L 1/3R
C'est là que je m'embrouille.
J'aurais tendance à diviser par 8 pour simplifier le calcul
3/8 R ; 3/8 C et 1/4 L
Si je prend la formule d'Alain : (A+B)/2 = C
Avec A = 10
B = 5
C = (10+5)/2 = 7.5
A= 10
B= 10
=> C = 10
A=1
B= 10
=> C= 5.5
Bref Alain il se fait moins de noeud au cerveau que moi et ça marche nickel son truc. Limite pas besoin de numérique
Pourquoi je m'attendais a un truc hyper compliqué ?



