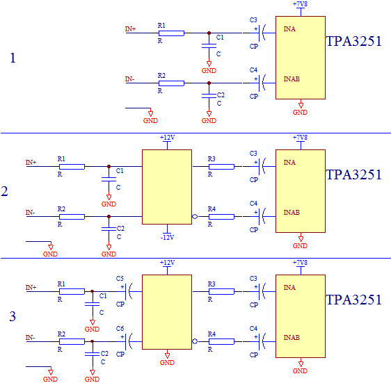
1. tension single ou dual pour opa1632 ? Le schéma exposé plus haut pour l'opa1632 est utilisé par TI pour l'étage d'entrée du TAS5100. L'OPA1632 y est alimenté en single voltage +12V. La pin Vocm est laissé "en l'air" et donc Vocm devient d'office 12/2=6V.
Donc alimenté en single, l'opa1632 a son propre "bias" et les deux capas de 10µF (C66 et C69) sont nécessaires pour protéger la source.
Les capas de liaison entre l'OPA et le TPA3251 restent nécessaires aussi, rapport au bias du TPA.
Ca fait donc 2 capas sur chaque signal au lieu d'une.
bof. C'est un brin plus compliqué car il faut faire le -12V, mais ma préférence va au dual supply.
2.OPA1632 attaqué en direct par la source ou AOPs en buffer ?
Tres souvent l'opa1632 est précédé d'aops (opa1611, 1612 ou des opa2134) en topologie ampli d'instrumentation.
Utile en entrée sym ou asym (IN- au GND)

Le bénéfice principal invoqué est l'amélioration de la CMRR et le réglage du gain. Je n'ai pas trouvé de données chiffrées jusqu'à trouver une doc de hypex qui utilise aussi cette topologie. http://www.hypex.nl/docs/appnotes/gain_appnote.pdf où il y a un début d'explication.
La CMRR est améliorée du gain de l'étage d'entrée en amont de l'OPA.
Or dans notre cas, on n'a pas besoin de gain vu qu'on entre déjà avec 2Vrms du DSPiy. Cet argument s'effondre.
Que reste t il d'autre en faveur de mettre des buffer ?



